Code No.B212C IG1 power supply open circuit (Fuse No. 12 circuit)
Code No.B212D IG1 power supply open circuit (Fuse No. 18 circuit)



| caution |
If the diagnosis code B212C (fuse No. 12) or B212D (fuse No. 18) is set to SRS-ECU, be sure to diagnose the CAN bus line.
|
|
|
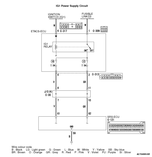
The battery power supply is supplied from the ignition switch (IG1) to SRS-ECU.
|
|
|
SRS-ECU has two independent battery power supplies circuit (fuse Nos. 12 and 18) having fuses.
|
|
|
The code is set when the voltage between the IG1 terminal (SRS-ECU terminal No. 61 or No. 62) and the earth drops below the specified value for 5 seconds continuously. Also, if the code No. B212C and B212D are set at the same time, the battery voltage may have dropped. Therefore, check the battery first.
|
|
|
- Open circuit to power supply circuit
- Damaged wiring harness and connectors
- Malfunction of SRS-ECU
|
|
|
STEP 1. M.U.T.-III CAN bus diagnostics.
|
|
|
Use M.U.T.-III to diagnose the CAN bus lines.
|
|
|
Q.
Is the check result normal?
|
|
|
Go to Step 2.
|
|
|
|
|
|
Repair the CAN bus lines (refer to Group 54C - Troubleshooting ). Then, go to Step 2.
|
|
|
|
|
|
STEP 2. M.U.T.-III other system diagnosis code.
|
|
|
Check if the ETACS diagnosis code is set.
|
|
|
Q.
Is the diagnosis code set?
|
|
|
Diagnose the ETACS (Refer to Group 54A - ETACS - Troubleshooting ).
|
|
|
|
|
|
Go to Step 3.
|
|
|
|
|
|
STEP 3. Check whether the diagnosis code is reset.
|
|
|
(1)Connect the negative battery terminal.
|
|
|
(2)After erasing the diagnosis code memory, check the diagnosis code again.
|
|
|
(3)Disconnect the negative battery terminal.
|
|
|
Q.
Is the diagnosis code No. B212C or B212D set?
|
|
|
Go to Step 4.
|
|
|
|
|
|
Intermittent malfunction (Refer to GROUP 00 - How to Use Troubleshooting/Inspection Service Points - How to Cope with Intermittent Malfunction ).
|
|
|
|
|
|
STEP 4. Resistance measurement at the C-121 SRS-ECU connector.
|

|
(1)While pushing the part "A" indicated in the figure of the harness side connector, turn the lock lever to the direction of the arrow to release the lock lever, and disconnect the C-121 SRS-ECU connectors. (2)Take the measurements below at the C-121 wiring harness side connectors.
- Continuity between C-121 wiring harness side connector terminal No. 59 and body earth
OK: Continuity (less than 2 Ω)
Q.
Is the check result normal?
Go to Step 5.
Repair the wiring harness between the C-121 SRS-ECU connector terminal No. 59 and the earth.
|
|
|
STEP 5. Voltage measurement at the C-121 SRS-ECU connector.
|
|
|
(1)Check that the negative battery terminal is disconnected. If the negative battery terminal is connected, disconnect it.
|

|
(2)While pushing the part "A" indicated in the figure of the harness side connector, turn the lock lever to the direction of the arrow to release the lock lever, and disconnect the C-121 SRS-ECU connector. (3)Connect the negative battery terminal. (4)Ignition switch: ON (5)Take the measurements below at the C-121 harness side connector.
- Voltage between terminal No. 61/62 and body earth
OK: 9 V or more (6)Disconnect the negative battery terminal.
Q.
Is the check result normal?
Go to Step 7.
Go to Step 6.
|
|
|
STEP 6. Resistance measurement at the C-121 SRS-ECU connector.
|
|
|
(1)Check that the negative battery terminal is disconnected. If the negative battery terminal is connected, disconnect it.
|
|
|
(2)Disconnect the C-313 ETACS-ECU connector.
|

|
(3)While pushing the part "A" indicated in the figure of the harness side connector, turn the lock lever to the direction of the arrow to release the lock lever, and disconnect the C-121 SRS-ECU connector. (4)Measure the resistance values as shown below.
- Continuity between C-313 ETACS-ECU connector terminal No. 2 and C-121 SRS-ECU connector terminal No. 62
- Continuity between C-313 ETACS-ECU connector terminal No. 4 and C-121 SRS-ECU connector terminal No. 61
OK: Continuity (less than 2 Ω)
Q.
Is the check result normal?
Go to Step 7.
Repair the wiring harness between the C-313 ETACS-ECU connector terminal No. 2/4 and the C-121 SRS-ECU connector terminal No. 62/61.
|
|
|
STEP 7. Check whether the diagnosis code is reset.
|
|
|
Q.
Is the diagnosis code No. B212C or B212D set?
|
|
|
Replace SRS-ECU (Refer to ).
|
|
|
|
|
|
Intermittent malfunction (Refer to GROUP 00 - How to Use Troubleshooting/Inspection Service Points - How to Cope with Intermittent Malfunction ).
|
|
|
|