Code No. P0038: Oxygen Sensor (rear) Heater Circuit High Input












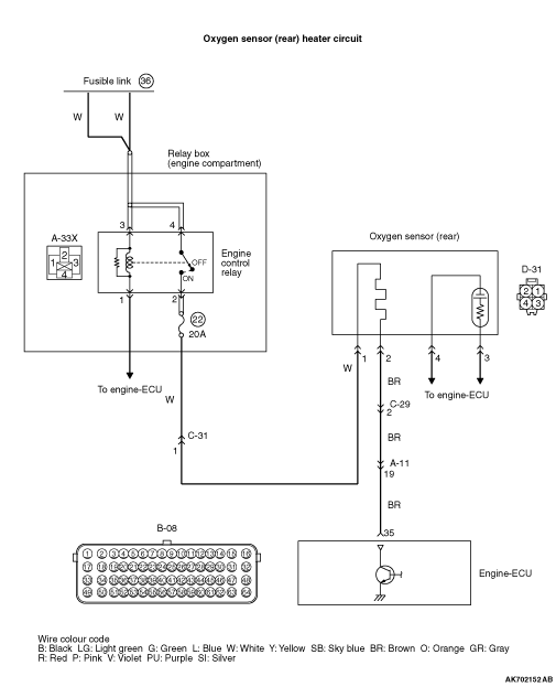
OPERATION




FUNCTION




TROUBLE JUDGMENT


Check Conditions
Judgement Criterion

PROBABLE CAUSES




DIAGNOSIS PROCEDURE


STEP 1. Connector check: D-31 oxygen sensor (rear) connector


Q. Is the check result normal?

Go to Step 2 .
Repair or replace the connector.

STEP 2. Perform resistance measurement at D-31 oxygen sensor (rear) connector.



  • Disconnect connector, and measure at sensor side.
  • Resistance between terminal No. 1 and No. 2.
OK: 4.5 - 8.0 Ω (at 20°C)

Q. Is the check result normal?

Go to Step 3 .
Replace the oxygen sensor (rear).

STEP 3. Connector check: A-33X engine control relay connector


Q. Is the check result normal?

Go to Step 4 .
Repair or replace the connector.

STEP 4. Check harness between A-33X (terminal No. 2) engine control relay connector and D-31 (terminal No. 1) oxygen sensor (rear) connector.


note Before checking harness, check intermediate connectors C-31, and repair if necessary.

  • Check power supply line for short circuit.

Q. Is the check result normal?

Go to Step 5 .
Repair the damaged harness wire.

STEP 5. Connector check: B-08 engine-ECU connector


Q. Is the check result normal?

Go to Step 6 .
Repair or replace the connector.

STEP 6. Check harness between D-31 (terminal No. 2) oxygen sensor (rear) connector and B-08 (terminal No. 35) engine-ECU connector.


note Before checking harness, check intermediate connectors A-11, C-29 and repair if necessary.

  • Check earthing line for short circuit.

Q. Is the check result normal?

Go to Step 7 .
Repair the damaged harness wire.

STEP 7. M.U.T.-III diagnosis code



  • Reconfirmation of diagnosis code.

Q. Is diagnosis code set?

Replace the engine-ECU.
Intermittent malfunction (Refer to GROUP 00 - How to Use Troubleshooting/Inspection Service Points - How to Cope with Intermittent Malfunctions ).